(株)オーミヤ
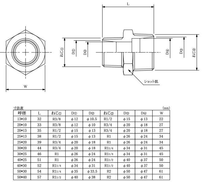
BC 異径角ニップル


配送について
出荷は営業日のみとなります(土・日曜、夏季休業、年末年始、臨時休業日の出荷はございません)
配送方法は、宅配便をご用意しております。
出荷までの日数について
当サイト掲載商品にはすべて、出荷までの日数の目安を表示しています。
出荷までの日数は在庫のある商品・お取り寄せ商品によって異なります。
お支払いについて
クレジットカード・代金引換・銀行振込(前払い)・Paid(後払い)・掛け払い(請求書払い)がご利用いただけます。
返品・交換について
返品については、商品到着より14日以内にご連絡いただいた場合のみお受けいたします。返品の理由により対応が異なります。詳細はリンクよりご確認いただけます。
パイプ
継手
バルブ
配管支持金具
ポンプ
パッキン・ガスケット
工具・作業用品
配管資材・副資材
トイレ
電線・線材
水廻り(浴室、洗面、etc)
空調・換気
屋外 給水関連
屋外 排水関連
保温・断熱材
あ行メーカー

